Converting to LiFePO4 batteries and Sailor Man's LiFePO4 Build

  • Please note, the forum recently had a problem with outbound emails for notifications, registrations, etc. A new email provider has been set up which should resolve all email issues. If you have any further trouble, please DM Christo or reach out via the Contact Us link in the website footer.
I had no trouble at all with our S2-7.9 launching off the trailer, but then it is not a fixed keel. Quite honestly, when I had any other choice like a 5K single point or better even a travel lift, I preferred to not take the bearings and brake swimming when I didn't have to.
Matt Colie - Bonne Ideè S2-7.9 #1
 
  • Like
Reactions: boybach
View attachment 7219
The batteries are being installed in my coach. These 100 ah batteries are being circuited in parallel with (2) more batteries in the engine compartment. I will have to replace the bent cables with just busbars in order to get them into a compact arrangement to fit in this compartment under the settee. To the left are (2) Sterling battery to battery chargers. One is a 12vdc battery to 12vdc battery charger that is the sole source of charging the single DieHard 100ah starter battery with over 800CCA. The other Sterling unit is a 12vdc battery to 48vdc battery charger so that excess solar energy, no needed to further charge the 12dc house bank will then charge the 48vdc bank providing power to the mini-splits.
Sterling Remote Enclosure 102822.webp
I had to find a location for the Sterling Remotes for the two battery to battery chargers. I needed a 2 1/8” dia. hole for the remotes.
It will be located between the windows just behind the passenger seat and just above the chargers.
One of the chargers is a 12vdc to 12vdc charger for the Diehard starting battery. The other is a 12vdc to 48vdc charger for the 48v battery bank.
This provides a utility chase just behind the passenger seat. Besides providing a location for the Sterling remotes, it is also a chase for other things.
I needed to separate the condensate drain from the YMGI salon mini-split that would allow a gravity drain. In this location, the drain will exit in the front wheel well.
It also provides a chase for other electrical wiring. The removable 1/4” thick face panel provides accessibility for repair and possible future renovations.
I have already lauded to using 1/4” thick cameo white corian to be laminated to the kitchen countertop, so this chase matches the countertop.
Corian is translucent, which feels much more solid than the surface printed Formica materials and is easily repaired.
 
View attachment 7093I would much like to have every person who owns, wants to buy or has every owned a GMC Motorhome follow this thread. Can you help me?
I am using 2 WaveSpeed remote alternator regulators, one for 12v and one for 48v.


The comments for the 12v and 48v system are from these companies:
BattleBorn
Victron
WaveSpeed
Balmar
I could have purchased all of these components directly from BattleBorn, but I chose to purchase them separately. The good news is that all of the componentsView attachment 7094 View attachment 7093are compatible and have specific wiring harnesses and software to make them function together as a team.
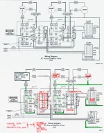
Here are the wiring diagrams for both systems. I have added the settings of the dip switches that correspond to the attached components.
I have traded emails with Dragonfly (owns both BattleBorn & WakeSpeed) and they have confirmed that the 12v and 48v installation design are good.
 
View attachment 6660
This is what the current electrical power center looks like. I am upset that solid copper electrical cable has been used. A dynamic environment like a GMC Motorhome requires tinned strand wiring. Since I also have to add a 48vdc wiring system and I don’t need alternating current for (2) rooftop air conditioning units or the installed inverter, I have to severely alter this compartment.
This stuff is now gone. The inverter at the lower right is actually an Absolute Inverter/Charger 2000 and the original electrical power center had been replaced.
IMG_1767.webp
This stuff is now gone. The inverter at the lower right is actually an Absolute Inverter/Charger 2000 and the original electrical power center had been replaced. It was the sole means of charging both the starting battery and the house battery other than the generator or 455.
It is not powerful enough and is not capable to safely charging a LiPO4 battery.

This unit is scheduled to be replaced

There is now no functioning shore power battery charger on the coach.

It will be replaced by a 12v/24/ Victron MultiPlus II inverter charger.
 
View attachment 6662
This is how I plan to have this compartment organized.
The new electrical panels are mounted on the left and protrude into the adjacent closet. There are back panel covers to enclose the wiring and are only 3” deep.
On back is a Victron MultiPlex II inverter/charger connected to the 12v battery bank.
Underneath on the left side is a 12vdc fan to cool the compartment.
I would be pleased to answer any questions about what I have just posted. Comments both positive and negative are welcome.
What will you use for a starting battery?
After removing the existing electrical boxes and panels it became clear that the above design would not work because of the penetration of the small compartment containing the 50 amp inlet and fresh water inlet. it reduced the depth in the upper right corner so the new electrical panels on the left would not fit.
Therefore, instead of the Victron MultiPlex II being installed upright in a horizontal position, it will now be installed flat on its back on the shelf.
Electric Power Center New 110522.webp
The MultiPlus II is quite heavy, so this positioning has advantages.
I am making a new panel center using a 1/2” thick black king Starboard sheet with a piano hinge at the bottom to allow the panel board to be rotated down to access the circuitry if needed.
Although the existing Also Inverter/Charger 2000 was stuffed into this compartment, there was no provision for ventilation to provide cooling for the equipment. For this installation, there will be two or three small 12v fans pulling the heated air out of the compartment into the adjacent closet to the left. The front cabinet panel will be altered to provide vents for air from the interior of the coach.
I plan to remove the 50 amp shore power inlet and replace it with (2) 30 amp shore power waterproof inlets exposed to the exterior. One 30 amp inlet is dedicated to the 12v MultiPlus and the other to the 48v Multiplus. I have a Y cable that allows (2) 30 amp inlets to be connected to a 50 amp shore power source.
The Victron BMV-712 monitors will provide a real time surveillance of both systems. Since they are provided with bluetooth they can be remotely viewed and controlled using iPhone’s CarPlay or Android.
The second 48v MultiPlus II will be mounted under the bed in the rear next to the 48v battery bank and the (2) YMGI mini split heat pumps.
In the ac section there are (2) 30 amp shore power breakers interlocked with two alternate sources, one being to the lp fueled Firman generator. A second identical portable can be connected here and/or the Firman 30 amp power could just be connected to either waterproof 30 amp inlet.
There is also a (6) circuit ac breaker panel for ac coach house loads such as the microwave or ac outs throughout the coach. The refrigerator/freezer has the option of being run on ac rather than on dc from the batteries when the coach is connected to shore power or on generator.
 
  • Like
Reactions: bdub
Since it is apparent that energy conservation is so essential and effective, I have decided to share with you the data I have been recording and analyzing since 2/1/16. The data from 2016 is somewhat compromised since we actually only lived in the house for 9 months that year. That is why the total annual cost is lower.
View attachment 7057View attachment 7058

In 2022, the dollar cost of the has increased due to the increased inflationary cost of oil, natural gas and lpg. However, the amount of energy used is still reducing even though 2022 has seen higher temperatures.
From the daily high temperatures listed, you can see that it is much, much lower that temperatures as high as 117°F in California. People complain about Florida heat because of the elevated humidity and much stronger sun.
Then I wanted to see how the energy used varied monthly along with the temperature, so I downloaded this. You can see that as the air temperature rose, so did the energy use. This is for the last 12 months.
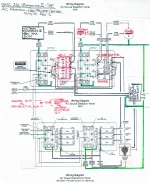
I was looking for a specific wiring diagram using Victron components that were similar to the ones I am using and I came across this diagram from Australia.
This wiring diagram had enough similarities that I was able to compare the Australian example to the house plus GMC Motorhome variation that I am building. I think that it is an interesting comparison.
Solar House+GMC Victron Diagram 110622.jpg
In my installation I am also using (2) Victron MultiPlus II 3000VA inverter chargers, only one is 48v. I am also using Victron MPPT Solar converters.
The BattleBorn Battery banks in the GMC Motorhome are 4.5 times the capacity of this example and I am using 2 to 3 times the energy per day. Of course, I have no idea of which southern latitude this residence is located in, so I have no way to compare if it is in a hot or more temperate location or if it is dry or humid.
In sizing the size of the solar panel array, I have no idea of how much solar radiation is available.
However, I am getting the sense that there may be some sense to my rather radical approach to the integration of a GMC Motorhome and my residence.
Certainly the energy needs are larger, but so is the solar array (25% more + additional radiation from the reflective roof surfaces) and the battery capacity.
I have already estimated that the roof reflective surfaces may increase the total solar radiation to 2.33 times normal, thus increasing the collection (2.33 x 5,840w = 13,607w). If this actually is the case, the solar collection is 2.267 times the Australian example, mitigating the shortfall in energy use.
In comparing the two examples, we are also dealing with difference between American and Australian electrical power and English vs. Metric.
I could also double the number of solar panels on my roof to 32, increasing to 11,680w + 1,530w = 13,210w.

I am interested in your thoughts on this.
 
Last edited:
After removing the existing electrical boxes and panels it became clear that the above design would not work because of the penetration of the small compartment containing the 50 amp inlet and fresh water inlet. it reduced the depth in the upper right corner so the new electrical panels on the left would not fit.
Therefore, instead of the Victron MultiPlex II being installed upright in a horizontal position, it will now be installed flat on its back on the shelf.
View attachment 7248
The MultiPlus II is quite heavy, so this positioning has advantages.
I am making a new panel center using a 1/2” thick black king Starboard sheet with a piano hinge at the bottom to allow the panel board to be rotated down to access the circuitry if needed.
Although the existing Also Inverter/Charger 2000 was stuffed into this compartment, there was no provision for ventilation to provide cooling for the equipment. For this installation, there will be two or three small 12v fans pulling the heated air out of the compartment into the adjacent closet to the left. The front cabinet panel will be altered to provide vents for air from the interior of the coach.
I plan to remove the 50 amp shore power inlet and replace it with (2) 30 amp shore power waterproof inlets exposed to the exterior. One 30 amp inlet is dedicated to the 12v MultiPlus and the other to the 48v Multiplus. I have a Y cable that allows (2) 30 amp inlets to be connected to a 50 amp shore power source.
The Victron BMV-712 monitors will provide a real time surveillance of both systems. Since they are provided with bluetooth they can be remotely viewed and controlled using iPhone’s CarPlay or Android.
The second 48v MultiPlus II will be mounted under the bed in the rear next to the 48v battery bank and the (2) YMGI mini split heat pumps.
In the ac section there are (2) 30 amp shore power breakers interlocked with two alternate sources, one being to the lp fueled Firman generator. A second identical portable can be connected here and/or the Firman 30 amp power could just be connected to either waterproof 30 amp inlet.
There is also a (6) circuit ac breaker panel for ac coach house loads such as the microwave or ac outs throughout the coach. The refrigerator/freezer has the option of being run on ac rather than on dc from the batteries when the coach is connected to shore power or on generator.
ElectricPowerCenter Exploded 110722.webp
It is designed to rotate downward to provide access to the wiring behind the electrical panels for repairs or modifications.
 
This is the proposed layout of the SunPower SemiFlexible Panels on the roof. One of the problems with using the SunPower panels is that there is a systems limit of 45 volts and a maximum panel fuse rating of 15 amps.

Therefore, connecting (2) SPR-E-Flex-110 in series will generate 5.9 amps @ 37.6volts. Wiring (6) pairs will produce 35.4 amps @ 37.6 volts = 1,320 watts. Each (2) pairs will have to fused with a 15 amp breaker, (3) breakers in total.

This system should generate 1,470 watts. We can compare this output to the 6,000 watt output of the Onan. The original models only had a 4,000 watt Onan.

Also, As far as I know, only Sterling makes a 12 volt to 48 volt battery to battery charger. There is no 48 volt to 12 volt battery charger that I know of.

Therefore, it makes the most sense to charge the 12 volt battery bank with the solar panels and use the excess to charge to 48 volt bank through the Sterling.

The only 48 volt loads are for the (2) 12,000 btuh YMGI Mini-split heat pump systems.

Therefore one of two Mastervolt 48v to 12v dc to dc converters will provide backup 12 volt house power for the other users.

All lighting, including the headlights, have been converted to LED.

The YMGI mini-split have a SEER of 32 when connected to solar panels. The normal roof top air conditioning unit likely have a SEER of 7.5 when new.

Since the furnace and the electrically heated hot water heater have been eliminated, electrical use has been substantially reduced.

In the pace of the Onan 6000, there is now a Firman 3200 DF using primarily LPG with a gasoline back up. This is a very quiet and efficient generator. The mounting tray must be pulled out to use the generator, so the coach must be parked to use it. If necessary, second Firman generator can be paired with the permanently mounted unit.

With the solar array and significant electrical energy loss reduction, I doubt if the generators will ever needed to be used.
This is the prewired Solar MPPT Controller Panel with (3) Victron MPPT Solar Controllers. Both of the larger units are to be wired to a (6) panel array combined in parallel 3 sets of (2) 110w panels wired in series for a total of 660w each.
The smaller controller will be wired to (3) 50w panels wired in parallel.
The connections are comprised of (3) pre-manufactured harnesses that will pass through the roof using s BlueSea CableClam mounted on a new aerodynamic vent purchased from GMC Applied. The harnesses will be wired directly to the appropriate controller.
Straddling the smaller controller are positive and negative (4) post mini busbars. Three of the posts are now wired to the controllers. The 4th post will be wired in the coach via a dual conductor cable to charge the (10) BattleBorn 12v 100ah house battery bank (total 1,000ah).
Victron Smart Solar MPPT Center 110822.webp
The air vent to the left is supplying cooling air to the compressor for the Indel Drawer 17 being used as freezer ice storage located directly behind this panel. The fan on the compressor will be drawing air through the vent. In doing so, the air will pass over the solar controllers, providing cooling air to them.
I am installing (2) additional air vents in the cabinet door separating this compartment from main living area.
 
  • Like
Reactions: bdub
This is the prewired Solar MPPT Controller Panel with (3) Victron MPPT Solar Controllers. Both of the larger units are to be wired to a (6) panel array combined in parallel 3 sets of (2) 110w panels wired in series for a total of 660w each.
The smaller controller will be wired to (3) 50w panels wired in parallel.
The connections are comprised of (3) pre-manufactured harnesses that will pass through the roof using s BlueSea CableClam mounted on a new aerodynamic vent purchased from GMC Applied. The harnesses will be wired directly to the appropriate controller.
Straddling the smaller controller are positive and negative (4) post mini busbars. Three of the posts are now wired to the controllers. The 4th post will be wired in the coach via a dual conductor cable to charge the (10) BattleBorn 12v 100ah house battery bank (total 1,000ah).
View attachment 7252
The air vent to the left is supplying cooling air to the compressor for the Indel Drawer 17 being used as freezer ice storage located directly behind this panel. The fan on the compressor will be drawing air through the vent. In doing so, the air will pass over the solar controllers, providing cooling air to them.
I am installing (2) additional air vents in the cabinet door separating this compartment from main living area.
The panel is in place by I had a brain freezer. I didn’t notice that the compartment is higher than wider, so I had to rotate the panel 90* counterclockwise. What a boner! At least it will work just as well in this orientation.
IMG_1769.jpeg
After removing the existing electrical boxes and panels it became clear that the above design would not work because of the penetration of the small compartment containing the 50 amp inlet and fresh water inlet. it reduced the depth in the upper right corner so the new electrical panels on the left would not fit.
Therefore, instead of the Victron MultiPlex II being installed upright in a horizontal position, it will now be installed flat on its back on the shelf.
View attachment 7248
The MultiPlus II is quite heavy, so this positioning has advantages.
I am making a new panel center using a 1/2” thick black king Starboard sheet with a piano hinge at the bottom to allow the panel board to be rotated down to access the circuitry if needed.
Although the existing Also Inverter/Charger 2000 was stuffed into this compartment, there was no provision for ventilation to provide cooling for the equipment. For this installation, there will be two or three small 12v fans pulling the heated air out of the compartment into the adjacent closet to the left. The front cabinet panel will be altered to provide vents for air from the interior of the coach.
I plan to remove the 50 amp shore power inlet and replace it with (2) 30 amp shore power waterproof inlets exposed to the exterior. One 30 amp inlet is dedicated to the 12v MultiPlus and the other to the 48v Multiplus. I have a Y cable that allows (2) 30 amp inlets to be connected to a 50 amp shore power source.
The Victron BMV-712 monitors will provide a real time surveillance of both systems. Since they are provided with bluetooth they can be remotely viewed and controlled using iPhone’s CarPlay or Android.
The second 48v MultiPlus II will be mounted under the bed in the rear next to the 48v battery bank and the (2) YMGI mini split heat pumps.
In the ac section there are (2) 30 amp shore power breakers interlocked with two alternate sources, one being to the lp fueled Firman generator. A second identical portable can be connected here and/or the Firman 30 amp power could just be connected to either waterproof 30 amp inlet.
There is also a (6) circuit ac breaker panel for ac coach house loads such as the microwave or ac outs throughout the coach. The refrigerator/freezer has the option of being run on ac rather than on dc from the batteries when the coach is connected to shore power or on generator.
Because the BlueSea AC Isolation covers are 3" deep, I need to make an adjustment. There is only 2 5/8" available on the left. The DC section will now be on the left and the ac section will be on the right where there is more available depth.
 
  • Like
Reactions: bdub
Solar Tax Credits & Grants

Since there is no State Income Tax in Florida, I have no information on whether you may have some State Income Tax incentives to install solar energy systems. Please check out what is available where you are located. If you wish to pursue this yourselves, please contact your accountant to verify whether you can take advantage of this.
This year you can qualify for a Federal Tax credit of 26% of the installation and 22% in 2023. This tax credit may be renewed in Congress beyond 2023. It has happened in the past.
Just adding solar cells to an rv and installing a system that will provide solar energy to your residence can allow you to take advantage of this tax credit. Each case may be different, so see if it fits for you.
Instead of installing the storage batteries in my residence, it will be in the Motorhome. If I actually install any solar panels on the house or property, I will still be storing excess energy in the Motorhome’s batteries.
When I priced out a solar installation, with (2) Tesla PowerWall batteries, the quote was about $75,000. There were (32) LG Neon 365w panels arrangement in (4) banks connected in parallel for a total pf 11,680 watts.
The (15) solar panels on the Motorhome is rated at 1,470 watts. However, this solar panel installation is much less expensive with the SunPower 110w semi-flexible costing about $200 each and I can install them myself.
The motorhome will have the same amount of battery storage and other components that are not part of the house roof mounted collection system. So the motorhome installation system may come close to the house solar installation cost, so I will use the same number for this analysis.
If we use the $75,000 as an example, the Solar Tax Credit will be $16,500, reducing the cost to $58,500.
There may be other tax credits, benefits or grants available to you from your State, County or even Electrical Power company. You might be able to even sell some excess power back to the utility.
We may also be able to integrate a portable and foldable solar panel array into the motorhome system, used with at home or when boon docking. I am exploring this option.
There is new good news on the Solar Tax front.
Thanks to the new law passed last month, there is now more support for putting solar panels on the roof of your motorhome.
Before the passage of this Law the Federal Tax Credit was limited to 26% on 2022 and 23% in 2023. There was no Tax Credit in 2024 and beyond.
Another problem was that if your Federal Tax in the year you completed the project was less than the tax credit, you could not claim the left over tax credit in another year. You had to clim the Tax Credit in the year you activated the system or not at all.
With this new Law, the Tax Credit is now 30% and putting solar panels on RV’s is definitely permitted. If you cannot use all of the Tax Credit in one year, you will not lose the remainder. You can carry over the Credit to the next year, all the way to 2034.
The coats of all the components, material, parts, labor, batteries, etc. related to the Solar installation are part of the installation covered by the credit. Only my person labor and design investment cannot be included.
Although I have not completed the project and probably will not until sometime in 2023, I will be able to claim the a substantial Credit. I estimate that the project will cost between $50,000 and $100,000. Therefore I am looking at a Federal Tax Credit of between $15,000 and $30,000.
Not bad to essentially get a discount of 30% on the project.
 
  • Like
Reactions: GlenC
View attachment 7250
It is designed to rotate downward to provide access to the wiring behind the electrical panels for repairs or modifications.
I am using a single panel mounted on two pivot hinges instead of a two panel system with a piano hinge.

Current Panel Arrangment 112122.webp
I have to alter the BlueSea #8498 AC Source Selection Panel. Originally it was supposed to be able to select between (3) power sources which were listed as:
Shore 1 30amp
Shore 2 30amp
Generator 50amp
Plus one transfer ----- 30amp
On the top is the standard to wire this panel. However, in order to select a power source between The Firman 3042 Generator and the 50amp split phase Shore I had to attach the Shore Power to the existing 50amp circuit breaker.
Also, the 6 circuit AC panel located just below it is to be connected to the Shere Power/Generator busbar.
On the right side, the two 30amp circuit breakers now designated as:
Shore 2
Transfer
These will be upgraded to (2) 50amp, 2 pole circuit breakers for:
Victron Multiplus II 12V/24V 3kVA 2x120v for:
400-1200 ah @ 12v battery bank (we have 1000 ah)
DC Fuse 400A & 2x AWG 1/0 to 16 ft & 2x AWG 2/0 if longer
AC Out 75A with 75A AC fuse & AWG 6 cable
Victron Multiplus II 48V 3kVA 2x120v
100-300 ah @ 12v battery bank (we have 275 ah)
DC Fuse 100A
AC Out 75A with 75A AC fuse & AWG 6 cable
The MultiPlus II inverter/chargers will accept either 120v single phase AC or 120/240 split phase AC. The Shore Power is 50amp 120/240 split phase.
The Firman 3042 provides all of the below:
120v single phase @ 30amp
A separate duplex outlet on the generator 12ovac 20amp
A 12vdc out 8.3 amp
A USB outlet providing 5vdc @ 2.1amp

GMC Elec Power Rear 111622.webp
BlueSea 8498 3 Source Alteration 112322.webp
The (2) removable black panel covers on the left protect the AC wiring and connections for both the altered AC Source Panel and the 6 Position AC circuit breaker panel. Below them is an (8) position AC terminal strip with a black cover. All the AC breakers will be wired to the terminal strip sop that the final connection to the AC appliances, etc. need only to be connected to the terminal strip, not the breakers.
In the center is an exposed 12v dc dual minibus that provides a 12v dc connection to all of the LED lights in both the as and dc electrical panels.
Just to the right, on the bottom, is a similar (8) position Dc terminal strip with a black protective cover to be installed in the same fashion.
Above that is the rear of the (8) position 12v dc circuit breaker panel that replaces the original fuse block. are )2) Victron BMV-712 Smart Battery Monitors, one designated for 12v and the other 48v. The only electrical connection is a long RS-45 cable to the corresponding shunts located at the respective battery banks.
These meters have bluetooth, so they can be be viewed and controlled by cell phones, iPads or computers.
 
I am using a single panel mounted on two pivot hinges instead of a two panel system with a piano hinge.

View attachment 7298
I have to alter the BlueSea #8498 AC Source Selection Panel. Originally it was supposed to be able to select between (3) power sources which were listed as:
Shore 1 30amp
Shore 2 30amp
Generator 50amp
Plus one transfer ----- 30amp
On the top is the standard to wire this panel. However, in order to select a power source between The Firman 3042 Generator and the 50amp split phase Shore I had to attach the Shore Power to the existing 50amp circuit breaker.
Also, the 6 circuit AC panel located just below it is to be connected to the Shere Power/Generator busbar.
On the right side, the two 30amp circuit breakers now designated as:
Shore 2
Transfer
These will be upgraded to (2) 50amp, 2 pole circuit breakers for:
Victron Multiplus II 12V/24V 3kVA 2x120v for:
400-1200 ah @ 12v battery bank (we have 1000 ah)
DC Fuse 400A & 2x AWG 1/0 to 16 ft & 2x AWG 2/0 if longer
AC Out 75A with 75A AC fuse & AWG 6 cable
Victron Multiplus II 48V 3kVA 2x120v
100-300 ah @ 12v battery bank (we have 275 ah)
DC Fuse 100A
AC Out 75A with 75A AC fuse & AWG 6 cable
The MultiPlus II inverter/chargers will accept either 120v single phase AC or 120/240 split phase AC. The Shore Power is 50amp 120/240 split phase.
The Firman 3042 provides all of the below:
120v single phase @ 30amp
A separate duplex outlet on the generator 12ovac 20amp
A 12vdc out 8.3 amp
A USB outlet providing 5vdc @ 2.1amp

View attachment 7300
View attachment 7301
The (2) removable black panel covers on the left protect the AC wiring and connections for both the altered AC Source Panel and the 6 Position AC circuit breaker panel. Below them is an (8) position AC terminal strip with a black cover. All the AC breakers will be wired to the terminal strip sop that the final connection to the AC appliances, etc. need only to be connected to the terminal strip, not the breakers.
In the center is an exposed 12v dc dual minibus that provides a 12v dc connection to all of the LED lights in both the as and dc electrical panels.
Just to the right, on the bottom, is a similar (8) position Dc terminal strip with a black protective cover to be installed in the same fashion.
Above that is the rear of the (8) position 12v dc circuit breaker panel that replaces the original fuse block. are )2) Victron BMV-712 Smart Battery Monitors, one designated for 12v and the other 48v. The only electrical connection is a long RS-45 cable to the corresponding shunts located at the respective battery banks.
These meters have bluetooth, so they can be be viewed and controlled by cell phones, iPads or computers.
This is the update to these alterations by showing the integration with the actual ac using devices in the coach. This diagram integrates the AC Source Selection Panel with the 6 circuit ac distribution panel and includes the additional source of AC power from the inverter function of the 12v MultiPlus II. This MultiPlus II can provide up to 30 amps of 120v single phase power from the 12 v 1000ah House Battery Bank which is also charged by the 1,530 watt solar array.8498 AC Power Center Panels R1 120122.webp



Since there is no hot water heating, air conditioning, furnace fan, tv or entertainment power using alternating current, the actual AC current drain is very low and is limited to the MicroWave Combi Oven and AC using kitchen appliances. These AC appliances are far more likely to be used when Parked overnight. I have to provide for the possibility of using either shore power, generator or battery power for these loads.
The BlueSea manual rotary switch allows the decision to employ either inverter power or shore/generator power for AC loads.
While the power draws are significant, the time period is rather short, so the actual kWh should be light.
I expect that the rotary switch will very likely set to the inverter source most of the time.
Since the 12v 1000ah house battery bank is being constantly charged by the solar array during daylight, there is an argument that almost all of the AC loads will be solar powered.
 
View attachment 6652
I am installing (4) GC3 12dc 275ah batteries wired in series to provide a 48vdc 275ah battery bank to power the (2) YMGI 12,000 btuh mini split heat pumps mounted above the rear bumper. (2) of the batteries fir in the revised generator compartment next to the Firman 3042df generator on a custom slide out. Another (2) of these batteries willl be located under the bed in the rear.

Each battery weighs only 80.8lbs, so they can still be handled with reasonable effort unlike the normal lead acid battery it replaces. The total weight of the 48vdc battery bank is 323.2 lb.

The total weight of the battery banks, 708lbs is less than the normal 12vdc,m 200ah lead acid batteries and the Onan. 200ah original vs the 2,400 ah of this design. In addition, all 2,400ah can be used vs. the available 100ah of the lead acid battery installation. That is 24 times the original capacity with less weight. It is also about the capacity of (2) Tesla PowerWalls, which can now only be bought in conjunction with Tesla solar panels.

Since there are only (2) very efficient heat pumps attached to this massive battery bank, It also backs up
the 12vdc house & starting battery bank through MasterVolt 48v to 12v dc to dc converter.

The 48v battery bank can be charged via shore power or generator through a Victron MultiPlus II. charger/inverter. It can also be charged from the 12vdc battery bank through a 12vdc to 48vdc battery to battery charger.

Ince the solar array is charging the 12vdc battery bank, the 48vdc bank can be also indirectly charged by the solar array.
This is the Firman 3042 dual fuel inverter battery pulled out on the new pull out generator pan replacing the Onan. It has to be in this position to operate, so it will only be used when we are parked and the generator is needed. It primarily runs on lpg with a gasoline back uo using its own gas tank.

Generator Pulled Out 121722.webp
The (2) BattleBorn GC3 12v 270ah battereis are in place next to the generator using up the space where the previous lead acid 12v 100ah deep cycle battery was located.Generator GC3 In Place 121722.webp

This is 1/2 of the 48v battery bank to be connected in series. these (2) batteries weigh 150lb combined and by themselves constitute 540ah @ 12v. The actual fully charged battery is between 14.4 and 14.6 volts, higher the lead battereis. Taking up the same space as a single depp cycle 100ah lead acid battery that can only supply 50ah, these two batteries provide ten times the storage capacity and with the other two located under the bed, the 48v battery bank provides 20 times the original storage capacity.
These battereis require zero maintenance and are capable of 3,000 to 5,000 charging cycles, with no topping off or easing issues.
 
  • Like
Reactions: uhiroshi
This is the Firman 3042 dual fuel inverter battery pulled out on the new pull out generator pan replacing the Onan. It has to be in this position to operate, so it will only be used when we are parked and the generator is needed. It primarily runs on lpg with a gasoline back uo using its own gas tank.

View attachment 7405
The (2) BattleBorn GC3 12v 270ah battereis are in place next to the generator using up the space where the previous lead acid 12v 100ah deep cycle battery was located.View attachment 7406

This is 1/2 of the 48v battery bank to be connected in series. these (2) batteries weigh 150lb combined and by themselves constitute 540ah @ 12v. The actual fully charged battery is between 14.4 and 14.6 volts, higher the lead battereis. Taking up the same space as a single depp cycle 100ah lead acid battery that can only supply 50ah, these two batteries provide ten times the storage capacity and with the other two located under the bed, the 48v battery bank provides 20 times the original storage capacity.
These battereis require zero maintenance and are capable of 3,000 to 5,000 charging cycles, with no topping off or easing issues.
hello, may i ask how is it working with 12V DC dash air compressor ?

if possible, may i see how did you install all solar panels on roof ?

thank you
 
GMC COOP Wake
I went to the auction at the GMC COOP in Orlando yesterday. It was more like a wake. It is the end of an ERA. Spend a lot of time talking with Jim Bounds about his experience and plans for his future.
There are a lot of guys who will be looking for new jobs and gigs. What a shame.
Please shop on line and get something before it disappears! Spread it around!
Maybe they will be able to move the stuff to a junk yard that will sell the stuff on line nationwide.
There were just not enough people there to get rid of all of the stuff. There is just so much. We hardly put in a dent. I put a bid in on a big ticket item. I will let you know about it
I was amazed to meet Kendra, who is on this thread, there. She traveled all the way from Seattle to be there.
I have a bid on a big ticket item that I will share with you if I win. I just don’t want to jink it right now.
 
  • Like
Reactions: Kendra
I am thinking about expanding this project. I bought his coach from a guy who had owned the coach for over 20 years and the interior is from him. I called him to find out why he sold it. He told me that he had to sell it because he could no longer get physically into the coach. What a shame. I think we are all going to phase it and I was wondering how I come make alterations to delay the time when our kids ask for our keys. Any thoughts?
 
Bob Dunahugh made his coach capable of managing his wife's wheelchair.
For the first 15 years we had the coach, we never even bothered with a step, now we do. I can have some difficulty getting to the bridge deck, but I suspect that will be easier with aftermarket knees.
Matt
 
I have admired and watched this build closely for the past year as I've assembled and installed a LiFePO4/solar upgrade to my GMC. My system is modest in comparison - a few similar components and suppliers, but less capacity and capability (mine won't handle A/C on battery).

I about fell out of my chair when I was at the CoOp closing event and discovered I was sitting next to the talented man behind this build. And even more of a coincidence on this trip - I happened to be staying 10 minutes from Sailor Man's home and shop. Had an awesome visit today!

IMG_4962.JPG

I enjoyed seeing Sailor Man's shop and workbench - here's his yacht-grade main power panel with all the modifications described in this build thread.

IMG_4965.JPG
Back side of main panel is... wow!
 
Last edited:
Iwonthe
GMC COOP Wake
I went to the auction at the GMC COOP in Orlando yesterday. It was more like a wake. It is the end of an ERA. Spend a lot of time talking with Jim Bounds about his experience and plans for his future.
There are a lot of guys who will be looking for new jobs and gigs. What a shame.
Please shop on line and get something before it disappears! Spread it around!
Maybe they will be able to move the stuff to a junk yard that will sell the stuff on line nationwide.
There were just not enough people there to get rid of all of the stuff. There is just so much. We hardly put in a dent. I put a bid in on a big ticket item. I will let you know about it
I was amazed to meet Kendra, who is on this thread, there. She traveled all the way from Seattle to be there.
I have a bid on a big ticket item that I will share with you if I win. I just don’t want to jink it right now.
Well, I won the auction! I couldn’t believe that this Koba motor has been sitting on the shelf at COOP for three years, ready to be installed.

IMG_1814.webp
Usually, one had to find and purchase a “crate” 455 and ship it to the COOP. It then had be worked on by Koba, then painted and run it. I think that a process like this could take about 6 months, but here is it ready to be installed. With the COOP gone, maybe another one will never be made, so I just made a leap of faith and jumped in.

Kendra has one in her coach and has 45,000 miles on it. It has the standard carburetor and she says she gets about 10 mpg. It doesn’t know how to burn oil.
I have to drop the current 455, which runs very well, by the way. It had a lot of work on it itself about 15 years ago, mostly related to the heads, etc. I guess it will be available to purchase, if anyone is interested.
The unexpected has happened and I am scrabbling about what other things can be addressed at the same time. I had originally thought that this new motor would be a sencond stage project a couple of years from now, but my hand has been forced.
Should I change the final drive ratio. since I plan to tow about 5,000#, the current option is either the 3.70 or 4.10 limited slip. The jury is out.
I have to move all the belts, pulleys, atlernators, etc. and install them on this new motor.
As long as the coach will be on Cliff Golby’s lift for a while, I am talking to Jason Stryker about replacing the two original steel gasoline tanks with his 70 gal custom aluminum tank.
I will keep you up to date as this huge change of direction works out.
Jason told me that they had a place to take all the unsold motorhomes stuffed full of all of the stuff they didn’t sell.